
一、风机特点
为满足空调行业需要大风量,低压头的特殊要求,我厂通过市场调研,结合国内外生产厂家的优点,自行开发了4-82系列离心通风机。该系列风机具有性能良好、效率高、造型美观、结构紧凑、运转平稳、安装维修十分方便等特点,因而特虽适用于各种卧式空调机组。
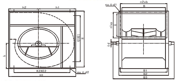
二、风机结构
4-82系列离心通风机主要由:叶轮、机壳、进风口、传动部分组成。
1、叶轮由20片后倾翼形叶片与前盘、轮盘焊接而成,经动平衡校正,气动性能良好,效率高,噪声低,体积小。
2、机壳用钢板焊接成蜗壳体,分别可制成0°、90°、180°、270°三种形式。
3、进风口制成收敛式流线型整体结构,用螺栓固定在风机的两入口处。
4、传动部分由:主轴、轴承、轴承座、带轮等组成。
5、每种风机又能可制成左、右旋转两种型式,面对皮带轮端,顺时针方向旋转为右旋,逆时针方向旋转为左旋。
三、用途
4-82系列离心通风机,主要用于空调工程通风系统,涂装设备,烤漆房设备,也可作为一般通风换气,气体温度不大于80℃。
四、使用说明
1、只有在风机设备正常使用情况下可运行。
2、设备在检修后启动时,应注意叶轮部锥套、轴承座、皮带轮锥套连接螺丝是否拧紧。各部位是否正常。
3、当拆除锥套螺丝时,应先松开连接螺栓,然后拧拆卸螺栓将锥套顶出。
4、除每次检修后应更换润滑油外,还应定期更换润滑油。
五、风机性能参数
4-82系列离心通风机,其产品性能参数均指标准状况下的风机性能参数。
4-82系列离心通风机外形尺寸
(5.6E-11.2E)

4-82系列离心通风机性能参数表


集科技开发、产品设计、制造销售、安装服务为一体的现代化工科型经济实体
扫一扫 手机站