
一、产品概述
T40型通风机系在原30K4型(又称03-11型)通风机的基础,上进行改造设计的。
T40型通风机由于修改了原30K4型风机的翼型,又采用了新型的圆筒形轮轂的结构,因此使风机的空气效率由原来的69%提高到84%,又增强了叶根处的强度,因而避免了叶根断裂现象的出现。
T40型通风机可用作- -般工厂、仓库、办公室、住宅内通风换气或加强暖气散热之用。若将机壳去掉可作自由风扇用。也可在较长的排气管道内间隔串联安装,以提高管道中的风压。
本系列产品,按叶轮直径不同共分成十种机号,依次排列为N0.2.5. 3. 3.5. 4。5. 6.7.8、9. 10等。 每一种机号叶片又可安装成15”、20”、25°、30"、35”等五种角度。
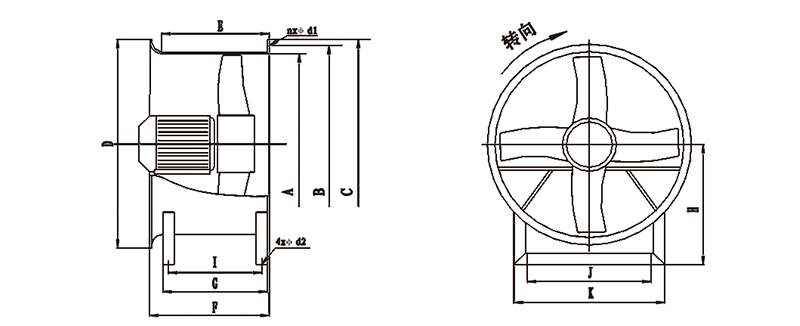
本系列产品均采用叶轮直接装在电机轴上的直联结构。在叶轮圆周速度不超过60米/秒条件下配用三种转数: 2900, 1450。 960转/分。面对进风口方向看叶轮为逆时针转动。
由于叶轮直径大小,叶片安装角度。主轴转速快慢等不同,故其风量风压及消耗动力不同。风压由31-473Pa,风量由564-48200米/小时,(详见性能表) 。通过通风机的气体应无腐蚀性及显薯粉尘,其温度不得超过45° C。本风机由叶轮、机壳、集风器等三部分组成。
二、T40系列轴流通风机参数
产品特点:叶片强度高、效率高、范围大、风量大、噪声低、安装方便、外形美观
传动结构:A、C式
产品机号:250-1000#
风量范围:500-50000m3/h
风压范围:30-500pa
产品用途:工矿企业、车间仓库等场所防暑降温、通风换气,一般工业管道串联加压、送风和排气和屋顶通风使用

T40系列轴流通风机外形及安装尺寸

T40系列轴流通风机性能与选用见表


集科技开发、产品设计、制造销售、安装服务为一体的现代化工科型经济实体
扫一扫 手机站